Евро кнопка аварийки ваз 2115
Вот наконец то решился сделать сам кнопку аварийного сигнала (или проще — «аварийка»). В наших русских ВАЗах 2113-2115 находится ну в очень неудобном месте. Если быть точнее то за рулевой баранкой. А в современном ритме жизни, когда стало принято «моргать» аварийкой в знак приветствия или благодарности, подобное расположение неприемлемо.
Начал с того что заказал «реле HLS-4453(18F)-4, DC12V, 4 группы конт. 5А» с сайта www.ekits.ru/index.php?product >
Далее купил провода 1.5 многие писали, что нужны именно такие, но слишком большие они, достаточно и 0.75 выше крыше. Купил как в простонародии говорят «ПАП» и изоленты. Далее паяльник в руки и схема перед глазами.
Всё достаточно просто, но времени убиваешь уйму, если первый раз собираешь то 3 часа собирал её с нуля)) Затем УСТАНОВКА: Сам большинство фото забыл сделать поэтому взял у других пользователей: www.drive2.ru/l/363984/ и www.drive2.ru/l/1042092/
Разбираем панель приборов и снимаем кожух.
Снимаем кожух и разбираем старую кнопку аварийки и переносим провода в удобное для нас место.
Начинаем потихоньку собирать наше чудо. Ставим кнопку на место куда нам ей будет удобнее пользоваться.
Собираем по схеме провода от новой кнопки к старой.
На всякий случай скрутил изолентой, что бы на кочках не вылетали с разъемов. Далее устанавливаем Din рейку в свободное место. И закручиваем гайкой и болтом на 5.
Устанавливаем на неё Колодку с реле.
И наконец приступаем подсоединять к габаритам и самой приборной панели.
Обращаю Ваш внимание на то что, по схеме идет два минуса, их можно объединить в один, но я делал их в 2 разных и подсоединят к колодке габаритов, там идет 2 черных провода оба минуса, я делал и в оба)) А габариты новой кнопки подсоединял к белому проводу на колодке. Далее двигаемся к самой приборной панели
Откручиваем её, она крепится на двух самарезах. Сзади видим две колодки белую и красную нам нужна красная и присоединяем туда провод который у нас идет по схеме в пустой гнездо
Далее двигаемся к самой приборной панели. Откручиваем её, она крепится на двух самарезах. Сзади видим две колодки белую и красную нам нужна красная и присоединяем туда провод который у нас идет по схеме в пустой гнездо.
Это для того что бы светился красный треугольник (можно и без него). Реально классно смотрится. P.S. На некоторых панелях нету лампочки треугольника, приходится её покупать и вкручивать.
В Итоге вот как у меня кнопочка смотрится
На установку потратил около 2-х часов.
Все что нужно для евро кнопки:
1. Реле HLS-4453(18F)-4, DC12V, 4 группы конт. 5А — 106 руб. 2. Колодку к реле HLS-4453(18F) — 62 руб. 3. Евро кнопку — 91 руб. 4. Колодку к евро кнопке — 50 руб. 5. Din рейка — 7 руб. 6. Пап — 7 шт. — 40 руб. (покупаем 6 больших и 1 маленькую). 7. Провода 1,5 — 7 метров * 8,2 руб. = 58 руб. (Повторюсь берите лучше 0,75 провода и мне 7 метров не хватило берите 8 метров). 8. Изолента — 15 руб.
Переделка кнопки ближнего света
Как уже было сказано, кнопка включения ближнего света и кнопка габаритов ВАЗ 2114 совмещены и расположены попарно. Их главный недостаток, на который указывает большинство автомобилистов, — это отсутствие светодиода индикатора питания на кнопке ближнего света.
Это довольно серьезная проблема, так как часто неясно, работают фары или нет (особенно в светлое время суток). Вы можете исправить это, изменив кнопку самостоятельно.
Для этого вам понадобятся:
- кнопка, которая будет изменена;
- вторая такая же кнопка: донор;
- паяльник или (лучше) паяльная станция.
Для начала нам нужно убрать основную кнопку с панели автомобиля (как это сделать уже было описано выше).
После того, как его сняли и отсоединили от проводов, делаем следующее:
- снимите ключи, подняв плоскую отвертку;
- разобрать корпус кнопок, нажав на защелки отверткой (сами кнопки теперь должны быть в положении «включено»);
- видим, что на кнопке габаритов два диода (подсветка и индикация), а на кнопке ближнего света только одна кнопка подсветки;
- снимаем с донорской кнопки пару ножек и пару контактов;
- переставляем их в свободные места на кнопке задания;
вынимаем карту из донорской кнопки с двумя диодами и вставляем в рабочую кнопку вместо карты с одним диодом;
припаиваем плату к добавленным ножкам;
проделываем отверстие в крышке пуговицы (это можно сделать острым ножом или просто просверлить плоской отверткой).
Проделав все эти операции, остается собрать все в обратной последовательности и установить обновленную кнопку на свое место (при установке важно, чтобы все мини-защелки на корпусе встали на свое место). Противотуманные фары, или просто ПТФ, — важный элемент системы освещения автомобиля
К сожалению, далеко не все производители оснащают свои автомобили этими устройствами. АвтоВАЗ со своей моделью 2114 — не исключение. ПТФ на четырнадцатый доступны только платно и в самой дорогой комплектации
Противотуманные фары, или просто ПТФ, — важный элемент системы освещения автомобиля. К сожалению, далеко не все производители оснащают свои автомобили этими устройствами. АвтоВАЗ со своей моделью 2114 — не исключение. ПТФ на четырнадцатый доступны только платно и в самой дорогой комплектации.
Не все видят смысла покупать более полную версию только для того, чтобы получить ПТФ. Отличное решение — самостоятельно установить противотуманные фары.
Красиво и эффективно
Схема проводки ВАЗ 2114 инжектор

Схема проводки ВАЗ 2114 инжектор 8 клапанов с подробным описанием системы электрооборудования, подкапотной проводки, предохранителей, жгутов и высоковольтных проводов. Схемы проводки ВАЗ 2114 инжектор 8 клапанов представлены в цветном формате с высоким разрешением для более подробного удобного просмотра.
Схема проводки ВАЗ 2114 инжектор 8 клапанов
- Выключатель обогрева заднего стекла;
- Выключатель задних противотуманных фонарей;
- Переключатель света фар и указателей поворота;
- Монтажный блок;
- Переключатель стеклоочестителя;
- Выключатель противотуманных фар;
- Блок индикации бортовой системы контроля;
- Колодка жгута панели приборов к жгуту дополнительному;
- Комбинация приборов;
- Колодка жгута панели приборов к жгуту бортового компьютера;
- Колодка жгута панели приборов к жгуту системы зажигания;
- Колодка жгута панели приборов к жгуту боковых дверей;
- Предохранитель 16 А;
- Предохранитель 16 А;
- Выключатель зажигания;
- Выключатель на освещения;
- Электродвигатель отопителя;
- Добавочное сопротивление электродвигателя отопителя;
- Реле разгрузки замка зажигания;
- Реле задних противотуманных огней;
- Реле стартера;
- Патрон подключения переносной лампы;
- Прикуриватель;
- Колодка жгута панели приборов к жгуту проводов лампы освещения вещевого ящика;
- Осветитель;
- Осветитель;
- Осветитель;
- Переключатель отопителя;
- Регулятор освещения приборов с реостатом;
- Выключатель сигнала торможения;
- Выключатель звукового сигнала;
- Выключатель аварийной сигнализации;
- Лампа подсветки табло управления отопителем;
- Предохранитель 16 А;
- Реле обогрева сидений;
Ш1-Ш4 — разъёмы монтажного блока. Х1, Х2 — колодки жгута панели приборов к комбинации приборов. А — точка заземления жгута панели приборов.
Пересвет кнопок на ВАЗ 2114 своими руками
Замена штатной подсветки кнопок на ВАЗ 2114 потребует подготовки определённых инструментов, материалов, а также некоторых временных затрат. Для работы понадобится следующий перечень необходимого:
- паяльник с тонким жалом;
- припой;
- пинцет;
- небольшой нож или плоская отвёртка;
- светодиодные элементы желаемого цвета.
Какие светодиоды и в каком количестве приобретать
Кнопки, установленные на приборной панели рассматриваемой модели, бывают старого и нового образца. В первом случае в качестве элемента подсветки используются небольшие лампочки либо светодиоды, а во втором — платы с запаянными smd светодиодами.
В качестве элементов подсветки в кнопках могут использоваться лампочки, светодиоды и smd элементы
Каждая кнопка оснащается двумя светодиодными элементами: один отвечает за подсветку самой кнопки, а второй свидетельствует об активации той или иной функции. Исключение составляет кнопка ближнего света фар — в ней светодиод индикации включения отсутствует. Поэтому если предполагается замена светодиодов на всех пяти кнопках, то потребуется приобрести 9 элементов подсветки. Определить тип последних можно только после разборки кнопки. Для старого образца нужны светодиоды на 12 В диаметром 3 мм. В новом образце используются элементы с маркировкой 0805. При использовании стандартных светодиодов рекомендуется дополнительно по цепи питания (прямо в кнопке) устанавливать резистор сопротивлением от 500 Ом до 1 кОм, который предотвратит перегорание элемента.
Чтобы исключить перегорание светодиода, последовательно рекомендуется установить резистор
Как снять кнопки
Для демонтажа кнопок на передней консоли необходимо выполнить следующие действия:
- Снимаем клемму минуса с АКБ.
-
Вынимаем заглушку бортового компьютера либо сам БК, если он установлен. Для этого достаточно зацепить её пальцем и потянуть на себя.
-
В образовавшееся отверстие просовываем руку и нащупываем заднюю часть кнопок.
-
Аккуратно выдавливаем кнопки наружу.
-
Снимаем колодки с проводами.
- Проделав необходимые действия с кнопками, устанавливаем их в обратном порядке.
Замена подсветки кнопок передней панели
Поскольку замена светодиодов на старых и новых вариантах кнопок несколько отличается, каждый из процессов стоит рассмотреть отдельно.
Пересвет кнопок старого образца
После демонтажа кнопок из панели приборов выполняем следующую последовательность действий:
-
Тянем за верхнюю часть кнопки и снимаем крышечку, на которую производится нажатие.
-
Вставляем плоскую отвёртку в кнопку и вынимаем внутреннюю часть. Извлекать нужно аккуратно, чтобы не потерять пружинки.
-
Мультиметром определяем полярность светодиодов.
-
Отгибаем выводы и демонтируем светодиодный элемент.
-
Подгибаем выводы новых светодиодов и вставляем их в корпус кнопки, соблюдая полярность, после чего укорачиваем выводы бокорезами до нужной длины.
- Собираем кнопку в обратном порядке.
Пересвет кнопок нового образца
На современных кнопках светодиоды меняем таким образом:
- Разбираем кнопку, как и в предыдущем пункте.
-
После вскрытия обнаруживаем плату с установленными светодиодами. Определяем полярность элементов и выпаиваем их паяльником с тонким жалом.
-
На их место аккуратно устанавливаем новые smd светодиоды нужного цвета свечения.
- Производим обратную сборку кнопки.
Видео: пересвет кнопок ВАЗ 2114
Модернизация кнопок включения габаритов и ближнего света
Кнопки включения габаритов и ближнего света фар выполнены в виде единого элемента. Отсутствие светодиода, указывающего на включение ближнего света фар, многим автолюбителям доставляет неудобства. Обусловлено это тем, что часто непонятно, работают фары или нет. Для решения этой проблемы прибегают к модернизации кнопки. Помимо перечисленных выше инструментов, понадобится аналогичная кнопка, с которой будут сняты необходимые детали. Непосредственно процесс доработки состоит из следующих шагов:
-
Демонтируем кнопку из панели.
-
Минусовой отвёрткой поддеваем клавиши, вынимаем их и видим, что светодиод изначально отсутствует.
- Разбираем корпус кнопок, надавливая на защёлки отвёрткой. На этом этапе кнопки должны находиться в нажатом положении.
-
С запасной кнопки демонтируем пару выводов и контактов, после чего устанавливаем их в корпус дорабатываемого элемента.
-
Достаём плату с двумя светодиодами из запасной кнопки и заменяем ею плату с одним светодиодным элементом.
-
При помощи паяльника присоединяем плату к новым выводам.
-
Чтобы подвести питание на новые контакты, соединяем медной проволокой контакты согласно фото.
-
Острым ножом или отвёрткой делаем отверстие в крышке кнопки.
- Собираем деталь в обратной последовательности и устанавливаем на место.
Как сделать пересвет кнопок ваз 2114
Всем привет.Ну вот, как и обещал, я сделал небольшой фотоотчёт по замене светодиодных лампочек в кнопках панели приборов ВАЗ 2114 и т.п. Надеюсь данный материал кому-нибудь поможет.
Итак, начнём. Для замены светодиодных лампочек мне понадобилось:1-пинцет(желательно не жены или подруги, а то можно получить «благодарность»,2-нож или тонкая отвертка (для вскрытия кнопок),3-светодиодные лампочки 12V 3мм нужных цветов (у меня белые и красные),4-руки и немного времени.
https://youtube.com/watch?v=SrrcjnRSD9E
Как я понял, кнопки выпускались в трёх исполнениях и, как у счастливого обладателя отечественного конструктора от АвтоВаз, у меня в машине стоят все эти три чёртовы исполнения.Может конечно их ещё больше, не дай бог, но я насчитал пока что три. Расскажу про два исполнения, которые выпускались давно.
Первая кнопка разбирается спереди со стороны лампочек, вторая-сзади со стороны контактов.В обоих случаях будьте осторожны при разборе кнопок, не потеряйте пружинки внутри и обратите внимание на маленькую скобку которая фиксирует кнопку в нажатом положении, она должна быть на своём месте при сборке кнопки. ОГРОМНОЕ внимание уделите лоампочкам т.к. они с полярностью.У моих «+» вывод длиньше чем «-» в принципе так же как и другие лампы такого типа
При установке лампочек в кнопку «+» длинный вывод должен быть СЛЕВА (см.рис.1)(если смотреть на кнопку так как она установлена у вас в машине)
они с полярностью.У моих «+» вывод длиньше чем «-» в принципе так же как и другие лампы такого типа. При установке лампочек в кнопку «+» длинный вывод должен быть СЛЕВА (см.рис.1)(если смотреть на кнопку так как она установлена у вас в машине)
ОГРОМНОЕ внимание уделите лоампочкам т.к. они с полярностью.У моих «+» вывод длиньше чем «-» в принципе так же как и другие лампы такого типа. При установке лампочек в кнопку «+» длинный вывод должен быть СЛЕВА (см.рис.1)(если смотреть на кнопку так как она установлена у вас в машине)
При установке лампочек в кнопку «+» длинный вывод должен быть СЛЕВА (см.рис.1)(если смотреть на кнопку так как она установлена у вас в машине).
А дальше смотрите фото.
не перепутайте полярности
Кнопка первого исполнения: ножом поддеваете с двух сторон и вытаскиваете внутренности
на половину разобрана, не потеряйте пружинки
по этому пазу и гуляет скобка фиксирующая кнопку в нажатом положении (эта кнопка без фиксации)
теперь нужно аккуратно выдавить контакты наружу, чтобы вытащить лампочку
контакт можно вынимать, важно не забыть потом как он стоял
теперь отгибаем контакты лампочки
и извлекаем её пинцетом
так выглядят мои новые лампочки (белая и красная)
а так выглядят уже подготовленные к установке (загибал пинцетом)
первая установлена
загибаем контакты так чтобы они попали в специальные пазы (будете разбирать увидите)
вторая на месте
» title=»откусываем лишние усы бокорезами или же отламываем аккуратненько пинцетом (металл очень мягкий) и можно собирать кнопку»>
Source: www.drive2.ru
Как привязать брелок?
Кроме того, что перед водителем встает задача монтажа сигнализации, он должен решить еще одну проблему — как подключить Иногда они незапрограммированные. Брелок или радиопередатчик — это основное устройство, позволяющее управлять охранным комплексом. Если сигнализация новая, то перепрограммирование не нужно. Если машина подержанная, то лучше перепрограммировать.
Для начала блок переводят в сервисный режим, который позволяет выполнять техническое обслуживание устройства. Для перехода в данный режим есть специальная комбинация нажатий на определенные кнопки — у каждого производителя она своя.
Вначале нужно снять сигнализацию с охраны. Кнопка Valet нажимается несколько раз, а затем включается зажигание. Если будут слышны несколько звуковых сигналов, то в систему войти удалось. Далее нужно нажать несколько кнопок, указанных в инструкции, после чего прозвучит звуковой сигнал. Брелок запрограммирован, и система его запомнила. Можно свободно пользоваться сигнализацией.
Назначение и принцип действия
Замок зажигания является электрическим устройством, отвечающим как за запуск двигателя, так и за включение питания в бортовой сети. Он имеет 3 различных положения секторного переключателя, управляемого ключом зажигания.
Каждое из них отвечает за свою отдельную функцию, а именно:
- Положение «Выключено 0» — питание поступает на контакты 30 — все оборудование отключено.
- Положение «Зажигание 1» — питание поступает на контакты 30-15 — ток идет на систему зажигания, приборы, фары, стеклоочистители, печку, прикуриватель, обогреватель стекла, поворотники.
- Положение «Стартер 2» — питание поступает на контакты 30-15 и 30-50 — под напряжением все те же цепи, что и в положении «1», а также стартер.
Распиновка замка зажигания
В свою очередь, распиновка замка зажигания ваз 2114 выглядит следующим образом (указаны ножки разъема замка):
- 1 — +12 вольт для датчика ключа;
- 2 — на массу (если дверь водителя открыта);
- 3 — +12 вольт к стартеру (он же — контакт 50);
- 4 — +12 вольт при включенном зажигании (он же — контакт 15);
- 5 — +12 вольт при ключе внутри замка;
- 6 — +12 вольт для подсветки замка;
- 7 — +12 вольт от батареи (он же — контакт 30);
- 8 — не применяется.
Схема зажигания ваз 2114, согласно которой выполняется подключение замка к бортовой сети в соответствии с представленной выше распиновкой, выглядит следующим образом:
Это интересно: Какой генератор лучше поставить на ВАЗ-2114 инжектор — фото, видео
Когда включается аварийная световая сигнализация?
Ее применение является обязательным в следующих ситуациях:
- если произошло дорожно-транспортное происшествие;
- если вам пришлось осуществить вынужденную остановку в запрещенном месте, например из-за технической неисправности вашего автомобиля;
- когда в темное время суток вас ослепило движущееся на встречу транспортное средство;
- также включается аварийная световая сигнализация в случае буксировки, осуществляемой с помощью механического транспортного средства;
- при посадке и высадке группы детей из специализированного транспортного средства, при этом на нем обязательно должен быть прикреплен осведомляющий знак – «Перевозка детей».
Самостоятельный ремонт электрооборудования ВАЗ 2114
Самые простые неисправности, которые могут возникнуть с электрооборудованием ВАЗ 2114, можно устранить своими руками. Некоторые даже без специального оборудования. Ниже приведены лишь несколько примеров наиболее частых отказов и неисправностей.
Если аккумулятор разряжается слишком быстро, стоит проверить напряжение зарядки на его выводах. Для этого запустите двигатель и с помощью мультиметра снимите показания с клемм аккумулятора. Нормальный ток заряда аккумулятора 12-14 вольт. Если напряжение на клеммах холостого хода двигателя меньше указанного, аккумулятор не будет заряжаться до номинального значения. Причиной тому может быть как уставший генератор, так и релейный регулятор. В первую очередь стоит проверить уровень натяжения ремня привода генератора. Если натяжение ремня недостаточное, на высоких скоростях или под дождем, когда влага попадает на шкивы приводного ремня, ремень может проскальзывать, и, следовательно, скорость генератора будет недостаточной для обеспечения полного заряда аккумулятора.
Проверка главного реле в автомобиле «Лада Самара»
В новой машине в отличие от прежней поменялась форма капота, задние и передние бамперы, новая конфигурация передних крыльев, а также улучшенная аэродинамика кузова.
Разобравшись в ней и поняв принцип действия, можно эффективно управлять автомобилем и выполнять мелкий ремонт. В конструкцию автомобиля был добавлен и бортовой компьютер.
Однако в целом, модель ВАЗ осталась такой же — она оснащается передним приводом, пятью дверьми. На практике наши соотечественники часто сталкиваются с проблемами в работе реле — контактные ножки этих компонентов могут подгорать в результате скачков напряжения в электросети.
Особенности конструкции Начинающему автолюбителю рекомендуется изучить работу инжекторного двигателя. Салонная проводка также имеет клеммные колодки для подключения конечных потребителей. Аккумулятор следует периодически подзаряжать от стационарного устройства. Мотор с таким же объемом, характеризующийся наличием системы распределительного впрыска топлива.
Схема электрооборудования ВАЗ 2113, 2114
Лампы стоп-сигнала. В жгуте проводов панели приборов вторые концы белых проводов сведены в одну точку, которая соединена с выключателем освещения приборов кроме белого провода, от штекера «4» колодки «Х2» монтажного блока 28 до блока 83 индикации бортовой системы контроля. Электродвигатель омывателя ветрового стекла.
Такие модели оборудуются системами электронного управления, они маркируются как Вторые концы белых проводов с красной полоской сведены в точку, подключенную к штекеру «10» колодки «Х4» монтажного блока. Лампы стоп-сигнала. Маршрутный компьютер или часы.
Для чего необходима электросхема ВАЗ-2110?
Достаточно лишь поддерживать его в исправном состоянии, причем, многие плановые ТО можно проводить своими руками, используя и электрические схемы данной статьи в качестве наглядного пособия. Реле включения обогрева заднего стекла обмотка. Отключите датчик от бензонасоса. Модификации Производитель ВАЗ предлагает потребителям на выбор несколько комплектаций, от которых зависит их стоимость: Полуторалитровый карбюраторный мотор. Уровень давления в нем не должен падать ниже 3,2 бар.
F8 7,5 А. Мотор с таким же объемом, характеризующийся наличием системы распределительного впрыска топлива. Блок реле инжектора Итак, как защищается электрооборудование на отечественных авто: предохранители на блоке, которые предназначены для защиты различных элементов оборудования, маркируются как F1-F20; К1 — это устройство, защищающее цепь очистителей оптики; К2 — отвечает за работоспособность световой сигнализации, а также поворотников; К3 — элемент обеспечивает функциональность дворников очистки ветрового стекла; К4 — устройство защищает электрическую цепь оптики, в частности, лампочек накаливания; К5 — если машина оснащена электрическими стеклоподхемниками, то это реле отвечает за их работоспособность; К6 — рулевой гудок авто; К7 — устройство системы обогрева заднего стекла; К8 — дальнее освещение транспорта; К9 — ближнее освещение автомобиля. F6 30 А Электростеклоподъемники. Если даже ножки реле целые, а оборудование не работает, устройство необходимо демонтировать и разобрать — возможно, контакты подгорели внутри. ВАЗ 2115-14 ЕЛЕКТРОСХЕМА +Мультимедийное руководство
Распиновка замка ВАЗ-2108, ВАЗ-2109, ВАЗ-21099
Цоколёвка по старому типу

Распиновка замка зажигания ВАЗ-2109 с разгрузочным реле:
- приходит +12В вположении I, II, III (стоянка)
- приходит +12В вположении I, II, III (стоянка)
- приходит +12В вположении III (стоянка)
- положение I,уходит +12В после включения зажигания (контакт 15/2), пропадает при старте (II);
- положение I, уходит +12В на стартер (контакт 50);
- положение I, уходит +12В после включения зажигания (контакт 15), при старте II не пропадает;
- приходит +12В от АКБ (контакт 30);
- приходит +12В постоянно.
Цоколёвка по новому типу

Распиновка замка зажигания ВАЗ-2109 нового образца:
- приходит +12В постоянно
- приходит +12В постоянно
- приходит +12В после включения зажигания (контакт 15), при старте II не пропадает;
- приходит +12В после включения зажигания (контакт 15/2), пропадает при старте (II);
- положение I, уходит +12В на стартер (контакт 50);
- приходит +12В после включения зажигания (контакт 15), при старте II не пропадает;
- приходит +12В от АКБ (контакт 30);
- приходит +12В постоянно.
Расшифровка штекеров монтажного блока предохранителей ВАЗ 2114 модели 2114-3722.010
| Обозначение штекерного разъема | Номер клеммы | Цвет провода | Наименование устройства |
| Ш1 | 1 | Б | стеклоподъемники |
| 2 | Г | выключатель зажигания (кл. 15/2) | |
| 3 | ГП | выключатель зажигания (кл. 15) | |
| 4 | ЖГ | переключатель эл.двигателя отопителя | |
| 5 | Р | выключатель зажигания (кл. 30/1) | |
| 6 | КР | выключатель зажигания (кл. 30) | |
| 7 | блокировка дверей | ||
| 8 | П | выключатель зажигания (кл. 50) | |
| Ш2 | 1 | БГ | переключатель очистителя заднего стекла |
| 2 | Г | переключатель указателей поворотов (правый) | |
| 3 | РП | включатель стоп-сигналов | |
| 4 | Б | контрольная лампа целостности ламп | |
| 5 | ПЧ | включатель аварийной сигнализации | |
| 6 | ГБ | дверь левая передняя | |
| 7 | ОБ | включатель задних противотуманных огней | |
| 8 | 34 | контрольная лампа дальнего света | |
| 9 | -/td> | ||
| 10 | 04 | включатель задних противотуманных огней | |
| 11 | СЧ | контрольная лампа резерва топлива | |
| 12 | пч | контрольная лампа уровня топлива | |
| 13 | БЧ | плафон освещения салона | |
| 14 | кг | контрольная лампа ручного тормоза | |
| 15 | гч | переключатель указателей поворотов (левый) | |
| 16 | эл.двигатель фароочистителя | ||
| 17 | — | ||
| Ш3 | 1 | ж | датчик скорости |
| 2 | чп | включатель аварийной сигнализации | |
| 3 | гп | переключатель указателей поворотов | |
| 4 | сб | контрольная лампа уровня масла | |
| 5 | ч | масса | |
| 6 | рб | контрольная лампа уровня омывающей жидкости | |
| 7 | ро | контрольная лампа износа тормозных накладок | |
| 8 | 3в | включатель фар | |
| 9 | жз | переключатель стеклоочистителя ветрового стекла | |
| 10 | пг | патрон подключения переносной лампы | |
| 11 | о | выключатель зажигания (кл. 15) | |
| 12 | рч | включатель омывателя заднего стекла | |
| 13 | |||
| 14 | ж | контрольная лампа противотуманных фар | |
| 15 | |||
| 16 | сг | указатель давления масла | |
| 17 | |||
| 18 | р | переключатель стеклоочистителя | |
| 19 | со | переключатель стеклоочистителя | |
| 20 | с | переключатель стеклоочистителя | |
| 21 | об | включатель задних противотуманных фар | |
| Ш4 | 1 | зп | Вкл. и контрольная лампа обогрева заднего стекла |
| 2 | гб | переключатель света фар (дальний свет) | |
| 3 | о | стеклоочиститель | |
| 4 | бч | включатель наружного освещения | |
| 5 | к | реостат освещения приборов | |
| 6 | р | аккумулятор | |
| 7 | чб | переключатель очистителя и омывателя ветрового стекла | |
| 8 | о | колодка Ш4 монтажного блока клемма 3 | |
| 9 | сч | включатель звуковых сигналов | |
| 10 | бп | включатель стоп-сигналов | |
| 11 | р | аккумулятор | |
| 12 | сп | переключатель света фар (ближний свет) | |
| 13 | предупредительный свет | ||
| 14 | — | ||
| 15 | — | ||
| 16 | рг | контрольная лампа уровня тормозной жидкости | |
| 17 | зб | указатель температуры охлаждающей жидкости | |
| 18 | кб | контрольная лампа заряда аккумуляторной батареи | |
| 19 | жч | включатель противотуманных фар | |
| 20 | рз | контрольная лампа уровня охлаждающей жидкости | |
| 21 | ж | тахометр | |
| Ш5 | 1 | 3 | дальний свет (правый) |
| 2 | зч | дальний свет (левый) | |
| 3 | сч | ближний свет (левый) | |
| 4 | п | стартер (кл. 50) | |
| 5 | пб | электровентилятора охлаждения радиатора | |
| 6 | с | ближний свет (правый) | |
| Ш6 | 1 | — | |
| 2 | 3 | включатель света заднего хода | |
| 3 | гч | указатель поворота (левый передний) | |
| 4 | |||
| 5 | — | ||
| 6 | — | ||
| 7 | — | ||
| 8 | жч | габаритный огонь (правый передний) | |
| 9 | бч | терморегулятор электровентилятора | |
| 10 | жч | габаритный огонь (левый передний) | |
| 11 | г | указатель поворота (правый передний) | |
| 12 | о | включатель света заднего хода | |
| 13 | рг | датчик уровня тормозной жидкости | |
| Ш7 | 1 | — | |
| 2 | жг | эл.двигатель фароочистителя | |
| 3 | б | эл.двигатель фароочистителя | |
| 4 | — | ||
| 5 | сб | датчик уровня масла | |
| 6 | сч | звуковые сигналы | |
| 7 | с | датчик скорости | |
| 8 | зб | датчик температуры охлаждающей жидкости | |
| 9 | кб | генератор (кл. 61) | |
| 10 | р | насос омывателя ветрового стекла | |
| 11 | бч | включатель подкапотной лампы | |
| 12 | рб | датчик уровня омывающей жидкости | |
| 13 | рч | тормозные накладки | |
| 14 | |||
| 15 | кп | тахометр | |
| 16 | рз | датчик уровня охлаждающей жидкости | |
| 17 | жб | реле противотуманных фар | |
| Ш8 | 1 | жл | реле противотуманных фар |
| 2 | жч | противотуманная фара (левая) | |
| 3 | ж | противотуманная фара (правая) | |
| 4 | гп | катушка зажигания | |
| 5 | р | генератор (кл. 30) | |
| 6 | р | генератор (кл. 30) | |
| 7 | |||
| 8 | рч | реле противотуманных фар | |
| Ш9 | 1 | рч | эл двигатель очиститель заднего стекла |
| 2 | г | указатель поворота (правый задний) | |
| 3 | бг | эл двигатель очиститель заднего стекла | |
| 4 | оч | задние противотуманные огни | |
| 5 | сч | дверь задняя | |
| 6 | пч | дверь передняя правая | |
| 7 | бч | плафон освещения салона | |
| 8 | кг | датчик ручного тормоза | |
| 9 | бч | кнопки сигнализации открытых дверей | |
| 10 | элементы обогрева заднего стекла | ||
| 11 | с | фонарь освещения номерного знака | |
| 12 | гб | дверь передняя левая | |
| 13 | б | плафон освещения салона | |
| 14 | п | стоп-сигналы | |
| 15 | ж | габаритный огонь (правый задний) | |
| 16 | з | фонарь заднего хода | |
| 17 | жч | габаритный огонь (левый задний) | |
| 18 | жч | очиститель заднего стекла | |
| 19 | о | элементы обогрева заднего стекла | |
| Ш11 | 1 | ж | насос |
| 2 | рч | клапан омыва заднего стекла | |
| 3 | |||
| 4 | ж- | насос | |
| 5 | бч | подкапотная лампа | |
| 6 | |||
| 7 | |||
| 8 | кч | подкапотная лампа | |
| 9 | б | эл двигатель стеклоочистителя | |
| 10 | о | эл.двигатель стеклоочистителя ветрового окна | |
| 11 | |||
| 12 | со | датчик аварийного давления масла | |
| 13 | |||
| 14 | р | клапан омыва ветрового стекла | |
| 15 | со | эл.двигатель стеклоочистителя | |
| 16 | с | эл двигатель стеклоочистителя | |
| 17 | жб | эл двигатель стеклоочистителя | |
| 18 | |||
| 19 |
Авто-помощь
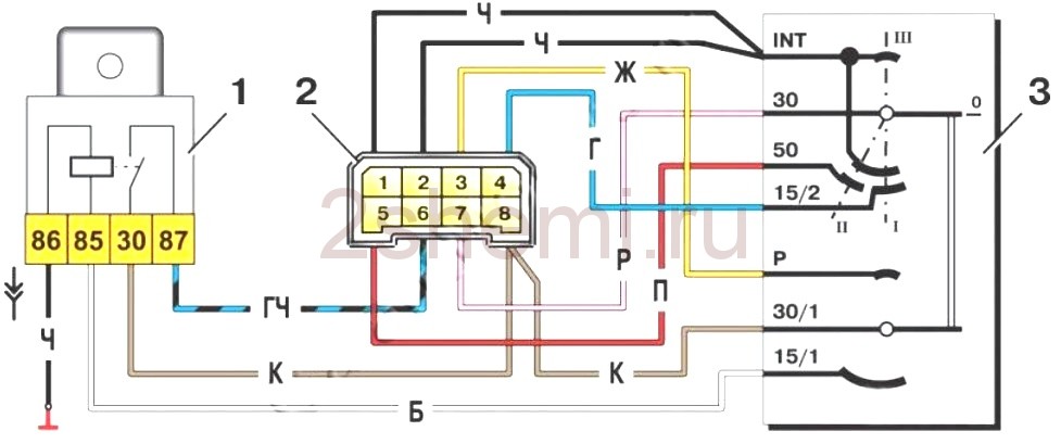
Кнопка аварийной сигнализации легкового автомобиля ВАЗ-2115 включает в работу одновременно все лампы указателей поворота через одно и тоже реле К2, что и под рулевой переключатель указателей поворота. Только питание, эта электрическая схема, получает с другого предохранителя (F2, а не F16, как у указателей поворота), расположенного под капотом автомобиля в монтажном блоке.
Поэтому, в принципе, возможны два основных варианта отказа в работе аварийной сигнализации, либо она не хочет включаться только сама, а указатели поворота работают, либо обе эти электрические схемы не работают одновременно. В первом случае, искать неисправность придётся в монтажном блоке и кнопке включения аварийной сигнализации, а во втором случае придётся проверять работоспособность реле К2.
Поиск неисправности «аварийки» в монтажном блоке автомобиля ВАЗ-2115 начинают с проверки 10-ти амперного предохранителя F2. Если он перегорел, то придётся искать причину его выхода из строя, обычно это бывает короткое замыкание в электрической цепи, которую он защищает. Ставить новый предохранитель, не найдя «коротыш», смысла большого нет, так как он тоже сгорит.
Бывает и так, что предохранитель F2, оказывается целым. Тогда, при помощи контрольной лампы или тестера, необходимо проверить подаётся ли напряжение на его клеммы. Если напряжения нет, придётся проверить, подаётся ли напряжение на клемму 3 колодки Х1 монтажного блока, так как именно на неё подаётся плюс с клеммы 15 замка зажигания. При наличии напряжения на 3-ей клемме, можно сделать вывод, что обрыв электрической цепи находится на плате монтажного блока от клеммы 3 колодки Х1, до клеммы предохранителя F2.
Если предохранитель F2 цел и на его клеммах есть напряжение, тогда с передней панели снимаем кнопу аварийной сигнализации, отсоединяем колодку и на клемме 2 этой колодки проверяем напряжение, естественно при включённом зажигании. При наличии напряжения на клемме 2, виновником отказа в работе аварийной сигнализации будет её кнопка включения, которую придётся заменить. А если напряжения на клемме 2 нет, тогда нужно будет «прозвонить» провод идущий от клеммы 2 колодки аварийной сигнализации, до к клеммы 3 разъёма Х4 монтажного блока.
В случае, когда не работает аварийная сигнализация совместно с указателями поворотов, то проверять придётся реле К2. Самым легким способом проверки будет установка вместо него, точно такого же, но исправного реле.
Схема электропроводки и электрооборудования на ваз 2114
- → блок-фары;
- → моторедукторы очистителей фар*;
- → противотуманные фары*;
- → датчик температуры окружающего воздуха;
- → звуковые сигналы;
- → выключатель лампы освещения моторного отсека;
- → электродвигатель вентилятора системы охлаждения двигателя;
- → генератор;
- → датчик сигнализатора недостаточного уровня масла;
- → датчик уровня омывающей жидкости;
- → датчик износа колодок передних тормозов;
- → наконечники проводов, подключаемые к общему насосу омывателя стекол**;
- → насос омывателя ветрового стекла;
- → насос омывателя фар*;
- → наконечники проводов для подключения к насосу омывателя заднего стекла на автомобилях ВАЗ-2113 и ВАЗ-2114;
- → датчик сигнализатора недостаточного давления масла;
- → лампа освещения моторного отсека;
- → наконечник провода для подключения к жгуту проводов системы управления двигателем;
- → моторедуктор очистителя ветрового стекла;
- → стартер;
- → колодка, подключаемая к жгуту проводов системы зажигания на карбюраторных автомобилях;
- → датчик указателя температуры охлаждающей жидкости;
- → выключатель фонарей заднего хода;
- → датчик сигнализатора недостаточного уровня тормозной жидкости;
- → аккумуляторная батарея;
- → датчик сигнализатора недостаточного уровня охлаждающей жидкости;
- → реле включения противотуманных фар;
- → монтажный блок;
- → выключатель стоп-сигнала;
- → штепсельная розетка для переносной лампы;
- → лампа подсветки шкалы гидрокорректора;
- → выключатель лампы сигнализатора включения стояночного тормоза;
- → колодка для подключения лампы подсветки;
- → выключатель ламп освещения приборов;
- → подрулевой переключатель;
- → выключатель аварийной сигнализации;
- → реле элемента обогрева передних сидений;
- → выключатель зажигания;
- → предохранитель цепи фонарей заднего противотуманного света;
- → предохранитель цепи элементов обогрева передних сидений;
- → предохранитель цепи блокировки замков дверей;
- → лампа подсветки передней пепельницы;
- → реле зажигания;
- → прикуриватель;
- → лампа освещения вещевого ящика;
- → выключатель лампы освещения вещевого ящика;
- → электродвигатель вентилятора отопителя;
- → дополнительный резистор электродвигателя отопителя;
- → переключатель вентилятора отопителя;
- → лампа подсветки переключателя отопителя;
- → лампа подсветки рычагов отопителя;
- → моторедукторы электростеклоподъемников передних дверей;
- → переключатель электростеклоподъемника правой передней двери(расположен в правой двери);
- → моторедукторы блокировки замков передних дверей;
- → провода для присоединения к правому переднему громкоговорителю;
- → моторедукторы блокировки замков задних дверей;
- → провода для присоединения к правому заднему громкоговорителю;
- → блок управления блокировкой замков дверей;
- → провода для присоединения к радиоаппаратуре;
- → выключатель очистителей фар*;
- → выключатель элемента обогрева заднего стекла;
- → реле включения фонарей заднего противотуманного света;
- → колодка для подключения к элементу обогрева правого переднего сиденья;
- → выключатель фонарей заднего противотуманного света;
- → выключатель элемента обогрева правого переднего сиденья;
- → выключатель противотуманных фар*;
- → выключатель ламп наружного освещения;
- → выключатель элемента обогрева левого переднего сиденья;
- → колодка для подключения к элементу обогрева левого переднего сиденья;
- → провода для присоединению к левому переднему громкоговорителю;
- → переключатель электростеклоподъемника левой передней двери(расположен в левой двери);
- → переключатель электростеклоподъемника правой передней двери(расположен в левой двери);
- → провода для присоединения к левому заднему громкоговорителю;
- → боковые указатели поворота;
- → выключатели плафона на стойках передних дверей;
- → выключатели плафона на стойках задних дверей;
- → плафон;
- → плафон индивидуального освещения салона;
- → колодка для подключения к жгуту проводов электробензонасоса;
- → выключатель лампы освещения багажника;
- → комбинация приборов;
- → лампа освещения багажника;
- → блок индикации бортовой системы контроля;
- → маршрутный компьютер*;
- → колодка для подключения жгута проводов системы управления двигателем;
- → задние наружные фонари;
- → задние внутренние фонари;
- → колодки для подключения к элементу обогрева заднего стекла;
- → фонари освещения номерного знака;
- → дополнительный сигнал торможения, расположенный на спойлере.
- https://remontvazov.com/elektroshema-vaz-2114
- https://industrialmachine.ru/схема-проводки-ваз-2114-инжектор/
- https://provaz2114.ru/shemy/elektroshema-vaz-2114.html





























