Строение замка зажигания авто
- Запорный стержень
- Корпус
- Валик
- Контактный диск
- Контактная втулка
- Колодка
- Выступ контактной части.
Механизм замка соединяется с множеством проводов. Они продолжаются от аккумулятора, соединяя в единую цепочку все электрические приборы автомобиля. Во время поворота ключа зажигания происходит замыкание электроцепи от клеммы » — » аккумулятора к катушке зажигания. В следствии ток проходит по проводам к замку зажигания, через его контакты направляется к индукционной катушке, после чего возвращается обратно на клемму «+». Во время, когда электричество проходит через катушку, в ней вырабатывается высокое напряжение, которое она передает на свечу зажигания. Стало быть, ключ замыкает контакты цепи зажигания, тем самым запуская двигатель автомобиля.
Ступица нива шевроле — замена
Для замены ступичного подшипника на ниве, требуется вытащить ступицу. Это осуществляется по следующему плану.
1. Размонтирование конусной втулки.
2. Расконтривание гаек. Проблема может кроиться в том, что они часто слизываются или закисают. В этом случае можно использовать зубило и легкий молоток.
3. Девятнадцатой головкой или ключом нужно снять фиксаторы рычага. Они расположены, как спереди, так и сзади.
4. Извлекаются стопорные пластины. Это металлические перфорированные полосы, которые часто упускаются из виду.
5. Семнадцатым и десятым ключом требуется снять патрубки контура.
6. Под рычагом устанавливается упор. Двумя двенадцатыми ключами откручивается гайка, зафиксированная на болте фиксатора верхнего рычага.
7. Таким же образом откручивается и нижняя колодка.
8. Когда крепежа не осталось, возможно вытащить всю систему разом.
9. Фиксируя поворотный кулак струбциной, можно выбить ступицу.
10. После этого снимаются винты фиксации кулака к рычажному механизму.
Зная устройство ступицы переднего колеса нива 21213, можно произвести ремонт самостоятельно, без обращения в сервис.
Навесное оборудование
Люстра
Дуга с дополнительными фарами, в среде автолюбителей именуемая «люстра», продается в автомагазинах. Правда, ее цена не всегда адекватна использованным деталям, что заставляет автовладельцев использовать смекалку и собственные руки.
 Подобное крепление для фар вполне можно изготовить и самостоятельно
Подобное крепление для фар вполне можно изготовить и самостоятельно
Если вы один из таких рукастых водителей, то следующая информация позволит собственноручно изготовить и правильно установить данное навесное оборудование.
Саму дугу вполне можно изготовить из:
- Старого багажника. Его можно купить на автобарахолке;
- Либо задействовать уже имеющиеся крепления;
- Использовать мебельную фурнитуру.
Останавливаться подробно на этом мы не будем, а заострим внимание на правильности подключения дополнительных световых приборов.
Самодельная дуга при аккуратности ничем не отличается от покупных изделий
Особенности подключения
Первое, чем следует вооружиться — это качественная схема проводки на Нива 21213. Она представлена на фото ниже. Во-первых, такая схема полезна для технического обслуживания, а во-вторых, с ее помощью легко определить место для подключения жгута проводов.
 Заводская цветная схема электрооборудования ВАЗ 21213
Заводская цветная схема электрооборудования ВАЗ 21213
Второй важный момент – периодичность использования люстры:
- Постоянно, включая и движение в городских условиях;
- Только при движении вне городских и загородных магистралей (бездорожье). А здесь проверенная схема внедорожному авто нужна обязательно.
 Вывод управления люстры возможен на штатный выключатель
Вывод управления люстры возможен на штатный выключатель
Наиболее предпочтителен съемный вариант, который предусматривает быстрый монтаж и демонтаж люстры, а также безопасное ее подключение к штатной электропроводке. На видео в статье этот процесс наглядно продемонстрирован. А инструкция по подключению представлена выше.
А вот на что стоит обратить внимание, так это на регулировку светового потока. Дело в том, что при движении по бездорожью капот автомобиля нередко покрывается грязью, которая в темное время суток бликует при свете фар, ослепляя водителя.. Поэтому, есть 2 варианта:
Поэтому, есть 2 варианта:
- Устанавливать специальный солнцезащитный козырек над лобовым стеклом;
- Сдвинуть люстру назад, чтобы край светового потока не падал на капот автомобиля.
 Правильная установка люстры препятствует ослеплению
Правильная установка люстры препятствует ослеплению
Особенности электрооборудования
Различия в генераторах
Ранее уже упоминалось, что схема проводки ВАЗ 21213 имела некоторые отличия, связанные в первую очередь с устанавливаемым силовым агрегатом.
В частности, для версий со впрыском топлива требовался более мощный генератор, поэтому:
- На ВАЗ 21213 устанавливался генератор модели 371.3701;
- На ВАЗ 21214 устанавливалась модель генератора 9412.3701.
Они конструктивно схожи и представляют собой синхронные машины переменного тока со встроенным выпрямителем и регулятором выходного напряжения. Схема электрического генератора карбюраторной версии автомобиля «Нива»
Различия в проводке
Подкапотная проводка ВАЗ 21213 выполнена в разном исполнении для облегчения обслуживания своими руками.

 Жгут проводов «Нивы» для установки в подкапотном пространстве
Для версий с инжекторным силовым агрегатом проводка на ВАЗ 21213 имеет три дополнительных разъема под блок бесконтактного зажигания.
Кроме того, на модели ВАЗ 21214 установлено 2 охлаждающих радиатор вентилятора, соответственно проводка для них также имеет свои отличия от «тринадцатой». Принципиальная схема подключения элементов системы охлаждения представлена ниже.

 Электрическая схема подключения вентиляторов «Нивы»
Электрическая схема ВАЗ-21214М 2011 года
СХЕМА ЭЛЕКТРИЧЕСКИХ СОЕДИНЕНИЙ ЖГУТА ПРОВОДОВ ПЕРЕДНЕГО 21214-3724010-44
- 1 – фара правая;
- 2 – реле стартера;
- 3 – колодка жгута переднего к колодке жгута панели приборов;
- 4 – датчик температуры воздуха;
- 5 – датчик температуры охлаждающей жидкости;
- 6 – датчик контрольной лампы давления масла;
- 7 – сигнал звуковой ваз-21214;
- 8 – датчик уровня тормозной жидкости;
- 9 – фара левая;
- 10 – колодки жгута переднего, жгута подфарника и бокового указателя поворота
- правого;
- 11 – колодки жгута переднего и электродвигателя стеклоочистителя;
- 12 – электродвигатель стеклоочистителя;
- 13 – колодки жгута переднего и провода соединительного стартера;
- 14 – стартер;
- 15 – батарея аккумуляторная;
- 16 – генератор;
- 17 – колодка жгута переднего и провода соединительного генератора;
- 18 – боковой указатель поворота правый;
- 19 – подфарник правый;
- 20 – электродвигатель омывателей;
- 21 – колодки жгута переднего, жгута подфарника и бокового указателя поворота
- левого;
- 22 – подфарник левый;
- 23 – боковой указатель поворота левый.
СХЕМА СОЕДИНЕНИЙ ЖГУТА ПРОВОДОВ СИСТЕМЫ ЗАЖИГАНИЯ 21214-3724026-44
- 1 – контроллер;
- 2 – колодка диагностики;
- 3 – датчик массового расхода воздуха;
- 4 – датчик температуры охлаждающей жидкости;
- 5 – датчик фаз;
- 6 – модуль электробензонасоса;
- 7– колодка жгута проводов панели приборов к колодке жгута проводов заднего;
- 8 – катушки зажигания;
- 9 – свечи зажигания;
- 10 – педаль акселератора электронная;
- 11 – дроссельный патрубок с электроприводом;
- 12 – электровентилятор системы охлаждения двигателя правый;
- 13 – электровентилятор системы охлаждения двигателя левый;
- 14 – датчик детонации;
- 15 – колодки жгута проводов системы зажигания и жгута проводов форсунок;
- 16 – форсунки ваз-21214;
- 17 – электромагнитный клапан продувки адсорбера;
- 18 – датчик кислорода управляющий;
- 19 – датчик кислорода диагностический;
- 20 – датчик положения коленчатого вала;
- 21 – блок управления АПС;
- 22 – индикатор состояния АПС;
- 23 – блок предохранителей ЭСУД;
- 24 – предохранитель цепи питания электробензонасоса;
- 25 – реле электробензонасоса;
- 26 – реле электровентилятора системы охлаждения двигателя левого;
- 27 – реле электровентилятора системы охлаждения двигателя правого;
- 28 – реле зажигания;
- 29 – колодка жгута проводов системы зажигания к колодке жгута проводов панели
- приборов.
СХЕМА СОЕДИНЕНИЙ ЖГУТА ПРОВОДОВ ПАНЕЛИ ПРИБОРОВ 21214-3724030-44
- 1 – реле дополнительное;
- 2 – реле-прерыватель указателей поворота;
- 3 – реле стеклоочистителя;
- 4 – выключатель зажигания;
- 5 – выключатель аварийной сигнализации;
- 6 – реостат;
- 7 – переключатель света фар и указателей поворота;
- 8 – переключатель очистителя и омывателя ветрового стекла;
- 9 – блок предохранителей основной;
- 10 – блок предохранителей дополнительный;
- 11 – комбинация приборов;
- 12 – выключатель наружного освещения;
- 13 – выключатель очистителя заднего стекла;
- 14 – выключатель обогрева заднего стекла;
- 15 – выключатель заднего противотуманного огня;
- 16 – переключатель электродвигателя отопителя;
- 17 – дополнительный резистор электродвигателя отопителя;
- 18 – электродвигатель отопителя;
- 19 – реле дальнего света фар;
- 20 – реле ближнего света фар;
- 21 – реле обогрева заднего стекла;
- 22 – реле заднего противотуманного огня;
- 23 – прикуриватель ваз-21214;
- 24 – датчик включения дифференциала;
- 25 – выключатель сигнала торможения;
- 26 – выключатель лампы света заднего хода;
- 27 – выключатель контрольной лампы ручного тормоза;
- 28 – осветитель;
- 29 – осветитель;
- 30 – колодка жгута панели приборов к жгуту переднему;
- 31 – колодка жгута панели приборов к радиоаппарату;
- 32 – колодка жгута панели приборов к жгуту системы зажигания;
- 33 – колодка жгута панели приборов к жгуту заднему;
- 34 – контрольная лампа включения дифференциала;
- 35 – контрольная лампа обогрева заднего стекла;
- 36 – выключатель сигнала положения педали сцепления;
- 37 – датчик скорости.
СХЕМА ЖГУТА ПРОВОДОВ ЗАДНЕГО 21214-3724210-44
- 1 – колодка жгута проводов заднего к колодке жгута проводов панели приборов;
- 2 – колодка жгута проводов заднего к колодке жгута проводов системы зажигания;
- 3 – включатель плафона освещения салона в стойке двери водителя;
- 4 – включатель плафона освещения салона в стойке двери пассажира;
- 5 – плафон освещения салона левый;
- 6 – плафон освещения салона правый;
- 7 – электрический бензонасос с датчиком указателя уровня топлива;
- 8 – элемент обогрева заднего стекла;
- 9 – дополнительный сигнал торможения;
- 10 – фонарь правый;
- 11 – фонарь левый ваз-21214;
- 12 – фонарь освещения номерного знака;
- 13 – фонарь освещения номерного знака;
- 14 – электродвигатель очистителя заднего стекла;
- 15 – электродвигатель омывателя заднего стекла.
Электросхема ВАЗ–21213
1 — передние фонари; 2 – боковые указатели поворота; 3 — электродвигатель омывателя ветрового стекла; 4 — электродвигатель омывателя фар*; 5 — коммутатор; 6 – Аккумулятор; 7 — стартер; 8 – генератор; 9 — фары; 10 – моторедукторы очистителей фар*; 11 – звуковой сигнал; 12 – свечи зажигания; 13 — концевой выключатель карбюратора; 14 — электромагнитный клапан карбюратора; 15 — катушка зажигания; 16 — моторедуктор очистителя ветрового стекла; 17 – блок управления электромагнитным клапаном карбюратора; 18 — датчик-распределитель зажигания; 19 – датчик указателя температуры охлаждающей жидкости; 20 – датчик контрольной лампы давления масла; 21 – штепсельная розетка для переносной лампы**; 22 – датчик контрольной лампы уровня тормозной жидкости; 23 – реле-прерыватель очистителя ветрового стекла; 24 – реле включения заднего противотуманного света***; 25 – реле включения обогрева заднего стекла; 26 – реле включения очистителей и омывателя фар*; 27 – реле включения ближнего света фар; 28 — реле включения дальнего света фар; 29 — реле зажигания; 30 – реле включения стартера; 31 — реле-прерыватель аварийной сигнализации и указателей поворота; 32 — электродвигатель отопителя;
33 – добавочный резистор электродвигателя отопителя; 34 – лампы подсветки рычагов управления отопителем; 35 – выключатель наружного освещения; 36 – основной блок предохранителей; 37 – дополнительный блок предохранителей; 38 – выключатель света заднего хода; 39 – выключатель стоп-сигнала; 40 – регулятор освещения приборов; 41 – выключатель зажигания; 42 – трехрычажный переключатель; 43 – выключатель аварийной сигнализации; 44 – переключатель очистителя и омывателя стекла двери задка*; 45 – переключатель электродвигателя отопителя; 46 – выключатель обогрева стекла двери задка; 47 – выключатель заднего противотуманного света; 48 – выключатели плафонов, расположенные в стойках дверей; 49 – плафоны освещения салона; 50 – прикуриватель; 51 – выключатель контрольной лампы прикрытия воздушной заслонки карбюратора; 52 – контрольная лампа прикрытия воздушной заслонки карбюратора; 53 – выключатель контрольной лампы блокировки дифференциала; 54 – выключатель контрольной лампы стояночного тормоза; 55 – датчик указателя уровня и резерва топлива; 56 – комбинация приборов; 57 – электродвигатель омывателя стекла двери задка; 58 – задние фонари; 59 – колодка для подключения дополнительных стоп-сигналов; 60 – колодки для подключения боковых указателей габарита; 61 – колодки для подключения к элементу обогрева стекла двери задка; 62 – фонари освещения номерного знака; 63 – моторедуктор очистителя стекла двери задка.
Порядок условной нумерации штекеров в колодках:
а – очистителей ветрового стекла, фар и стекла двери задка, реле-прерывателя очистителя ветрового стекла; б — датчика-распределителя зажигания; в – реле-прерывателя аварийной сигнализации и указателей поворота; г — коммутатора; д — трехрычажного переключателя; е — выключателя аварийной сигнализации; ж – реле включения заднего противотуманного света; з — задних фонарей (нумерация выводов по порядку сверху вниз); и – комбинации приборов.
В жгуте проводов панели приборов вторые концы белых проводов сведены в одну точку, которая соединена с регулятором освещения приборов. Вторые концы черных проводов также сведены в точку, соединенную с массой. Вторые концы желтых проводов с голубой полоской сведены в точку, соединенную с выводом «А» основного блока предохранителей. И вторые концы оранжевых проводов тоже сведены в точку, соединенную с выводом «Б» основного блока предохранителей.
* Устанавливаются на части выпускаемых автомобилей; ** с 2000 г. не устанавливается; *** устанавливается с 2001 г. Раньше задний противотуманный свет включался напрямую выключателем 47, питание к которому подавалось от предохранителя 3 дополнительного блока предохранителей.
Вопросы и ответы
В чем причина заводится и сразу глохнет Лада Калина
Читать далее
Вопросы и ответы
Как вытянуть вмятину на машине своими руками
Читать далее
Вопросы и ответы
Как выставить зажигание на ВАЗ 2107 карбюратор
Читать далее
Вопросы и ответы
Интервал замены свечей зажигания
Читать далее
Вопросы и ответы
Интервал замены масла в двигателе
Читать далее
Вопросы и ответы
Зазор на свечах зажигания
Читать далее
Вопросы и ответы
Жидкость для чистки карбюратора
Читать далее
Вопросы и ответы
Жидкость для раскоксовки поршневых колец
Читать далее
Вопросы и ответы
Глохнет при включении ВАЗ 2109 карбюратор
Читать далее
Отличная статья 0
Блок предохранителей ВАЗ Нива старого и нового образца
Если в старых моделях с этой целью задействуется всего два предохранителя, то в обновленных их уже четыре.
В общих чертах разница между двумя блоками выглядит так:
| Новый дополнительный блок | Старый дополнительный блок | ||||
| № предохранителя | Сила тока (ампер) | За что отвечает | № предохранителя | Сила тока (ампер) | За что отвечает | 
| 11 | 8 | Лампы поворотников, реле-прерыватель поворотников и аварийки | 11 | 8 | Резерв | 
| 12 | 8 | Реле дневных фар, Лампы дневных фар | 12 | 8 | Резерв | 
| 13 | 8 | Задние противотуманные огни, их реле | 13 | 8 | Противотуманные фары и их реле | 
| 14 | 16 | Прикуриватель | 14 | 16 | Прикуриватель | 
| 15 | 16 | Резерв | 15 | 16 | Резерв | 
| 16 | 8 | Резерв | 16 | 8 | Резерв | 
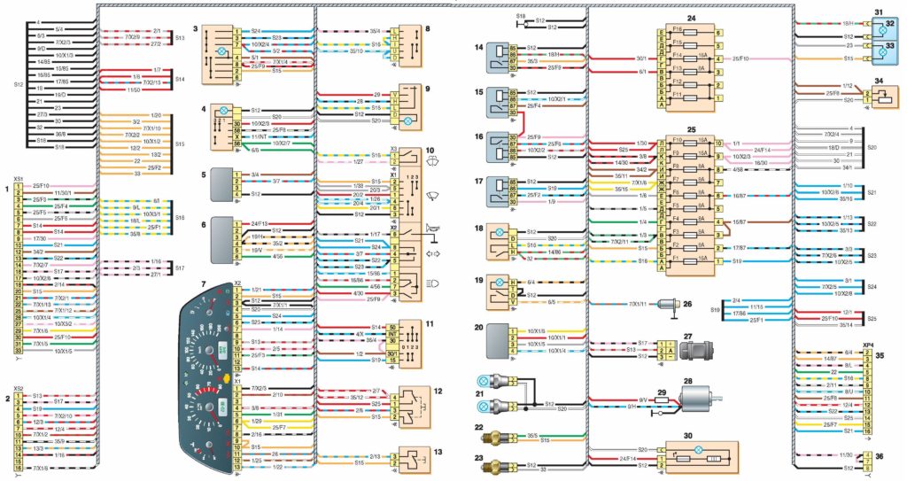
Основные электрические схемы Нивы 21214
Передний жгут проводов

- правый передний фонарь;
- правый боковой указатель поворота;
- колодка соединения со жгутом проводов правого фонаря и бокового указателя поворотов;
- правая фара;
- колодка соединения со жгутом проводов правой фары;
- стартер;
- аккумулятор;
- генератор;
- левая фара;
- соединение со жгутом проводов левой фары;
- левый передний подфарник;
- левый боковой указатель поворота;
- соединение со жгутом проводов правого переднего фонаря;
- звуковой сигнал;
- датчик температуры наружного воздуха;
- очиститель ветрового стекла;
- датчик температуры охлаждающей жидкости для комбинации приборов;
- датчик контрольной лампы аварийного давления масла;
- омыватель ветрового стекла;
- датчик контрольной лампы уровня тормозной жидкости;
- реле блокировки стартера;
- соединение со жгутом панели приборов
ЭСУД

- клапан продувки адсорбера;
- дроссельный узел
- датчик температуры охлаждающей жидкости
- правый вентилятор системы охлаждения;
- левый вентилятор системы охлаждения;
- катушка зажигания;
- свечи зажигания;
- датчик массового расхода воздуха;
- датчик положения коленчатого вала;
- колодка соединения со жгутом проводов управляющего датчика концентрации кислорода;
- управляющий датчик концентрации кислорода;
- датчик фаз;
- датчик детонации;
- колодка соединения со жгутом проводов форсунок;
- форсунки;
- педаль е-газа;
- колодка соединения со жгутом проводов панели приборов;
- главное реле;
- реле правого вентилятора системы охлаждения;
- реле левого вентилятора системы охлаждения;
- реле топливного насоса;
- предохранитель топливного насоса;
- колодка соединения с задним жгутом проводов (к топливному модулю);
- диагностическая колодка;
- масса в салоне автомобиля;
- блок предохранителей ЭСУД;
- колодка соединения зеленого цвета со жгутом проводов индикатора состояния АПС (светодиод);
- колодка соединения черного цвета со жгутом проводов индикатора состояния АПС (катушка связи);
- блок управления автомобильной противоугонной системы (АПС);
- колодка соединения со жгутом проводов диагностического датчика концентрации кислорода;
- диагностический датчик концентрации кислорода;
- электронный блок управления двигателем (контроллер)
Схема соединения панели приборов

- соединение с передним жгутом проводов;
- соединение со жгутом проводов системы управления двигателем;
- выключатель аварийной сигнализации;
- выключатель наружного освещения;
- реле поворотов;
- реле включения противотуманных ламп в задних фонарях;
- комбинация приборов;
- переключатель очистителя и омывателя стекла двери багажного отделения;
- переключатель отопителя;
- трех рычажный подрулевой переключатель;
- выключатель зажигания;
- датчик положения педали тормоза и выключатель сигналов торможения;
- датчик положения педали сцепления;
- реле обогрева стекла двери багажного отделения;
- реле дальнего света;
- реле ближнего света;
- реле зажигания;
- выключатель обогрева стекла двери багажного отделения;
- выключатель заднего противотуманного света;
- реле стеклоочистителя ветрового стекла;
- лампы подсветки блока управления отопления и вентиляции;
- выключатель света заднего хода;
- датчик включения блокировки дифференциала;
- дополнительный блок предохранителей;
- основной блок предохранителей;
- выключатель контрольной лампы стояночного тормоза;
- датчик скорости автомобиля;
- вентилятор отопителя;
- дополнительный резистор отопителя;
- прикуриватель;
- блок контрольных ламп;
- индикатор включения обогрева стекла двери багажного отделения;
- индикатор включения блокировки дифференциала;
- регулятор освещения приборов;
- соединение с задним жгутом проводов;
- подключение к аудиосистеме
Задний жгут проводов

- соединение со жгутом проводов системы управления двигателем;
- соединение со жгутом проводов панели приборов;
- правый плафон освещения салона;
- концевой выключатель правой двери;
- топливный модуль;
- концевой выключатель левой двери;
- левый плафон освещения салона;
- очиститель стекла двери багажного отделения;
- соединение со жгутом проводов очиститель стекла двери багажного отделения;
- фонари освещения номерного знака;
- элемент обогрева стекла двери багажного отделения;
- омыватель стекла двери багажного отделения;
- задний правый фонарь;
- дополнительный сигнал торможения;
- задний левый фонарь
Предохранители
Блок защитных устройств представляет собой в Ниве плату, на которой установлены одноразовые флажковые предохранители, содержащие внутри плавкую вставку. Каждая из них защищает одну или несколько электроцепей от перенапряжения.
Находится блок в салоне с левой стороны. Защитные средства пронумерованы. Так, 1 отвечает за работу:
- омывателя лобового стекла;
- вентилятора печки;
- очистителей всех фар;
- обогрев, дворник и омыватель стекла багажной двери.
Предохранитель за номером 2 контролирует:
- сигналы поворота, их работу в аварийном режиме, реле-прерыватель;
- лампы фонарей заднего хода;
- передние стеклоочистители;
- индикаторы приборной панели (уровень ОЖ и масла, положение карбюраторной заслонки, тормоз стояночный);
- указатели запаса горючего и температуры антифриза
3-4 – защищают цепь, соответственно, левого и правого дальнего света;
5-6 – ближний свет.
7 – предохранитель контролирует следующие элементы электрической схемы Нивы:
- габариты (задний правый и левый передний);
- подсветку госномера.
- подсветка приборной панели, прикуривателя, выключателей света в салоне;
- остальные габаритные сигналы.
9 – предохранитель отвечает за:
- поворотный указатель;
- реле-прерыватель и индикатор аварийной сигнализации;
- контакты включения нагревателя заднего стекла;
- клаксон;
- розетка;
- свет в салоне;
- задний стоп-сигнал.
- противотуманный свет (задний);
- моторчик очистителя фар (запуск, возврат в начальное положение).
16 – отвечает за работу прикуривателя.
Еще один блок находится в моторном отсеке. Там предохранители отвечают за:
СХЕМА ВАЗ-2121
СХЕМА ВАЗ-2121
Ваз 2121 “нива”, разработан и выпускается с 1979 года.
Схема электрооборудования ВАЗ-2121 :
1. Передние фонари, 2. Фары, 3. Электродвигатель очистителя фар, 4. Звуковой сигнал, 5. Электродвигатель омывателя фар, 6. Электродвигатель омывателя ветрового стекла, 7. Генератор, 8. Боковой указатель поворота, 9. Аккумулятор ваз-2121, 10. Электродвигатель отопителя, 11. Доп.резистор электородвигателя отопителя, 12. Реле-прерыватель очистителя ветрового стекла, 13. Стартер, 14. Электродвигатель очистителя ветрового стекла, 15. Концевой выключатель карбюратора, 16. Электромагнитный клапан карбюратора, 17. Блок управления ЭПХХ, 18. Коммутатор, 19. Свечи зажигания, 20. Трамблер (распределитель зажигания, 21. Датчик давления масла, 22. Датчик температуры, 23. Розетка переноски, 24. Катушка зажигания, 25. Датчик уровня тормозной жидкости, 26. Реле включения очистителей и омывателя фар, 27. Реле включения обогрева заднего стекла, 28. Реле дальнего света фар, 29. Реле ближнего света фар, 30. Реле включения зажигания, 31. Реле включения стартера, 32. Выключатель лампы блокировки дифференциала, 33. Переключатель наружного освещения, 34. Прикуриватель ваз-2121, 35. Выключатель стоп-сигнала, 36. Выключатель света заднего хода, 37. Реле-прерыватель указателя поворотов и ав.сигнализации, 38. Основной блок предохранителей, 39. Дополнительный блок предохранителей, 40. Лампа подсветки рычажков отопителя, 41. Выключатель заднего противотуманого фонаря, 42. Выключатель обогрева заднего стекла, 43. Переключатель эл.двигателя отопителя, 44. Переключатель очистителя и омывателя заднего стекла, 45. Выключатель аварийной сигнализации, 46. Выключатель зажигания, 47. Контрольная лампа воздушной заслоки карбюратора, 48. Регулятор освещения приборов, 49. Подрулевой рычажный переключатель, 50. Выключатель контрольной лампы заслонки карбюратора, 51. Электродвигатель омывателя заднего стекла, 52. Дверной выключатель плафонов, 53. Плафоны освещения салона, 54. Комбинация приборов ваз-2121, 55. Фонари освещения номерного знака.
Схема электрооборудования ВАЗ-21213 :
1. Боковые указатели поворота. 2. Передние фонари. 3. Фары ваз-21213. 4. Электродвигатели очистителей фар. 5. Звуковые сигналы. 6. Реле включения очистителей и омывателя фар. 7. Реле включения ближнего света фар. 8. Реле включения дальнего света фар. 9. Электродвигатель омывателя фар. 10. Датчик недостаточного уровня тормозной жидкости. 11. Штепсельная розетка переносной лампы 12. Датчик контрольной лампы давления масла. 13. Датчик указателя давления масла. 14. Датчик указателя температуры охлаждающей жидкости. 15. Распределитель зажигания. 16. Свечи зажигания. 17. Электродвигатели стеклоочистителя. 18. Катушка зажигания. 19. Генератор. 20. Запорный клапан карбюратора. 21. Стартер ваз-21213. 22. Электродвигатель омывателя ветрового стекла. 23. Регулятор напряжения. 24. Реле контрольной лампы заряда аккумуляторной батареи. 25. Аккумуляторная батарея. 26. Реле стеклоочистителя. 27. Дополнительный блок предохранителей. 28. Основной блок предохранителей. 29. Выключатель контрольной лампы стояночного тормоза. 30. Выключатель контрольной лампы блокировки дифференциала. 31. Выключатель света заднего хода. 32. Выключатель контрольной лампы воздушной заслонки карбюратора. 33. Выключатель стоп-сигнала. 34. Электродвигатель отопителя. 35. Реле-прерыватель указателей поворота и аварийной сигнализации. 36. Дополнительный резистор электродвигателя отопителя. 37. Выключатель освещения приборов. 38. Переключатель света фар. 39. Переключатель указателей поворота. 40. Выключатель звуковых сигналов. 41. Переключатель стеклоочистителя. 42. Выключатель омывателя ветрового стекла. 43. Выключатель зажигания. 44. Выключатель наружного освещения. 45. Переключатель отопителя. 46. Выключатель очистителей и омывателя фар. 47. Прикуриватель. 48. Выключатель аварийной сигнализации. 49. Выключатели плафонов, расположенные в стойках дверей. 50. Указатель давления масла с контрольной лампой недостаточного давления. 51. Указатель уровня топлива с контрольной лампой резерва топлива. 52. Тахометр. 53. Контрольная лампа стояночного тормоза. 54. Контрольная лампа заряда аккумуляторной батареи. 55. Контрольная лампа воздушной заслонки карбюратора. 56. Спидометр. 57. Контрольная лампа наружного освещения. 58. Контрольная лампа указателей поворота. 59. Контрольная лампа дальнего света фар. 60. Реле-прерыватель контрольной лампы стояночного тормоза ваз-21213.
По всем вопросам о ремонте обращайтесь на ФОРУМ
Что изменить
Тюнинг Нивы Chevrolet своими руками (да и более старых моделей тоже) следует начать с обозначения самых главных приоритетов. То есть необходимо определить, что необходимо заменить в первую очередь, а что может немного подождать.
А еще интересно: Нива шевроле установка кондиционера — Автожурнал MyDucato
В целом доработка машины может включать в себя такие кардинальные изменения как:
- Полная замена осветительных приборов;
- Замена обычных колёс на модели с большим диаметром, для того чтобы иметь возможность путешествовать по отечественному бездорожью;
- Полная переработка внутренней отделки (замена приборной панели, руля, обшивки и.т.д.);
- Улучшение подвески за счёт добавления новых автомобильных элементов;
- Установка расширителей арок. Это функция поможет преодолеть сразу несколько задач – двери и крылья не будут сильно загрязняться, плюс тюнинговая композиция станет заметно шире;
- Вывод мощности двигателя на совершенно новый уровень;
- Добавление багажнику большей эффективности.
Многие улучшения можно сделать самому, что-то более сложное доверить опытному профессионалу. И будет не лишним поиск информации, которая могла бы пригодиться в этой работе.
Что означают цифры в индексе Нивы
Единственное, на что жаловались владельцы – это недостаточная мощность автомобиля, которая не позволяла реализовать весь его дорожный потенциал. На то были объективные технические трудности, связанные с дефицитом производственных мощностей, которые автопроизводителю со временем удалось преодолеть.
Одним словом, разработчики не остались глухи к современным тенденциям, предложив сразу несколько модификаций силовых агрегатов для автомобиля ВАЗ 2121 «Нива».
| Объем двигателя | Система впрыска | Система зажигания | Мощность, л.с. | Заводской индекс | 
| 1,6 л | карбюраторная | классическая | 79 | ВАЗ–21210 | 
| 1,7 л | карбюраторная | классическая | 80 | ВАЗ 21213-1000260 | 
| 1,8 л | карбюратор 21073 типа «Солекс» либо инжектор | бесконтактная/на инжекторных – электронное с контроллером Bosch MP 7.0 | 82/85 | ВАЗ 2130-00 – карбюраторный ВАЗ 2130-20(26) – инжекторный | 
| 1,7 л | распределенный впрыск топлива | бесконтактная с контроллером BOSCH MP 7.9.7. либо ЯНВАРЬ 7.2 | 83 | ВАЗ-21214-20 | 
| 1,9 л | дизель XUD-9SD | — | — | ВАЗ-21215 | 
Соответственно, и сами автомобили получили новые индексы с привязкой к устанавливаемому силовому агрегату:
- Карбюраторный двигатель объемом в 1,7 литра с классическим карбюратором обозначается в документации как ВАЗ-21213;
- Аналогичный по объему двигатель с распределенным впрыском топлива — ВАЗ-21214;
- Карбюраторный двигатель ВАЗ-2130 объемом в 1,8 литра также имел индекс ВАЗ-21213;
- Индекс ВАЗ-21215 используется для экспортных моделей, оснащаемых дизельным силовым агрегатом производства «Пежо-Ситроен».
Что означают цифры в индексе Нивы?
Чтобы разобраться в особенностях проводки и электрооборудования автомобиля Нива 2131 или другой модели с инжектором либо карбюратором, разберемся в индексных обозначениях:
- ВАЗ 21213 — так обозначается Нива с карбюратором. В этом случае объем двигателя составляет 1.7 л.
- ВАЗ 21214 — это такой же карбюратор с аналогичным объемом мотора. Только в этом случае авто характеризуется распределенной системой впрыска топлива.
- ВАЗ 21213 — также карбюратор, только Нива с такими цифровыми обозначениями может иметь и 1.8-литровый двигатель.
- ВАЗ 21073. Эта Нива может быть оснащена либо карбюратором «Солекс», либо инжектором. Система зажигания в этих машинах бесконтактная.
- Что касается моделей Нива 21215, то таким индексом обозначаются экспортные варианты транспортных средств, оборудованные дизельным двигателем от производителя Ситроен.
Официально Нивы, оборудованные дизельными моторами, на территории РФ и стран бывшего СССР никогда не продавались. Стоимость такого транспортного средства, разумеется, была более высокой. Те поклонники отечественных внедорожников, которые готовы были заплатить такую стоимость, могли приобрести машину только за рубежом.
Ниже приведена схема ВАЗ 2121. Если вас интересует электросхема другой модели, к примеру, 2131, то она будет иметь определенные отличия от этой модификации. К примеру, В случае с карбюратором, электросхема заряда АКБ и системы зажигания является не защищенной, в отличие от инжекторов.
Схема проводки генератора 2121
Описание и схема блока предохранителей
Автомобили Нива оснащаются тремя модулями с предохранительными устройствами, и одним блоком реле.
Каждое устройство оборудуется пластиковой защитной крышкой. На ее внутренней части нанесена схема.
Где находятся блоки предохранителей и реле
Основной модуль устанавливается под нижней кромкой защитного кожуха комбинации приборов, около левой ноги водителя. Непосредственно под этим устройством располагается дополнительный блок. Чуть левее можно увидеть еще один модуль, оснащенный вставками, предназначенными для защиты элементов впрыска горючего. Помимо предохранительных компонентов, здесь располагается отдельное реле управления параметрами стеклоочистителей, а также системы ДВС.
Дополнительная коммутационная колодка устанавливается слева от кузова, рядом с основным предохранительным модулем. Устройство закрывается защитной пластиковой крышкой. Ее фиксация осуществляется посредством двух саморезов, которые можно открутить отверткой с крестовым наконечником. Внутри модуля имеется диагностический выход, а также четыре предохранительных устройства. Они используются для защиты охладительной системы и силового агрегата.
Реле стартерного механизма монтируется либо рядом с основным блоком, либо под капотом автомобиля. Если его установка осуществляется в моторном отсеке, то оно фиксируется на специальном щитке, рядом с резервуаром для тормозной жидкости.
Обозначение и схема
Описание компонентов подробно приведено в таблице.
| Номер устройства | Описание | 
| 01 | Электрический двигатель вентилирующего устройства отопительной системы. Также предохранитель отвечает за защиту цепей моторов заднего дворника и механизма подачи воды на лобовое стекло. | 
| 02 | Предназначается для защиты: 
 | 
| 03 | Используется для защиты электроцепи дальнего освещения в левом фонаре, а также светового индикатора режима дальнего света на контрольном щитке | 
| 04 | Лампочка дальнего света, установленная в правой фаре | 
| 05 | Лампа ближнего света, установленная в левой фаре | 
| 06 | Световой источник ближнего освещения в правом фонаре | 
| 07 | Используется для защиты нескольких цепей: 
 | 
| 08 | Правая габаритная фара, а также подсветка комбинации приборов | 
| 09 | Электроцепь реле световой сигнализации с клавишей ее включения и отключения. Также используется для защиты системы прогрева заднего стекла. | 
| 10 | Предназначается для защиты: 
 | 
| 11 | Резервный предохранитель | 
| 12 | Зарезервированное устройство | 
| 13 | Устройство для активации и отключения противотуманных задних фонарей | 
| 14 | Прикуривательное устройство | 
| 15 | Резервный предохранитель | 
| 16 | Зарезервированное устройство | 
О назначении предохранительных элементов подробно рассказал канал «Pro АВТО32».
Предохранители системы управления двигателем
Элементы системы управления силовым агрегатом:
- Защиты электролинии двигателя правого вентилирующего устройства.
- Плавкий предохранитель, использующийся для защиты левого вентилятора.
- Реле вентилирующих устройства и модуля управления системой впрыска. Также используется для защиты форсунок и катушки зажигания.
- Система понижения уровня токсичности отработавших газов. Предназначается для защиты электроцепей кислородных контроллера, клапана фиксации паров горючего и контроллера замера воздушного потока, подающегося в ДВС.
- Диагностический выход для контролирования параметров работы системы впрыска.
Блок реле системы управления двигателем
Описание реле системы управления мотором:
- Включение системы зажигания.
- Основное реле, предназначенное для пуска всех систем силового агрегата.
- Защита электроцепи пуска правого вентилирующего устройства на радиаторном узле.
- Запуск левого вентилятора.
- Защита электроцепи бензонасоса.
Схема блока реле над педалью газа
Описание компонентов в блоке, установленном над педалью газа:
- Источники освещения в задней противотуманной оптике.
- Система прогрева стекла, установленного в задней двери.
- Лампочки ближнего освещения.
- Световые источники в фарах дальнего освещения.






























